Skip to main content

Inventum Modul-AIR

De Inventum Modul-AIR is dé spijtvrije warmtepomp voor een snelle besparing op aardgas en het veilig doorgroeien naar aardgas-vrij in de toekomst.

De compacte en toekomsbestendige warmtepomp

Deze slimme warmtepomp maakt nuttig gebruik van de warmte uit de ventilatielucht welke normaal onbenut naar buiten wordt geblazen. Uit de warme ventilatielucht kan met een zeer hoog rendement energie worden teruggewonnen om te worden gebruikt voor ruimteverwarming en warm tapwater. Deze oplossing is geschikt woningen met een ventilatiesysteem die gebruik maakt van een wwonhuisventilator en afzuigventielen. Deze moderne ventilatiewarmtepomp vervangt de bestaande woonhuisventilator en is zo compact, dat deze vrijwel overal past.

Eigenschappen Inventum Modul-AIR

WaardeOmschrijving
Type
lucht/water

Monoblock warmtepomp op ventilatielucht

Vermogen
1,7 kW

Efficiënt te onttrekken uit ventilatielucht

Opstelplek
Binnen

Geen buitenunit bij dit type warmtepomp

Geluid binnen
40 dB(A)

Zeer stil

Geluid buiten
Ca 30 dB(A)

Zeer stil

SCOP 7/35*
> 5,5

Hoogste SCOP (lucht/water warmtepomp)

COP-7/35*
> 5,5

Hoogste COP (lucht/water warmtepomp)

* Een ventilatiewarmtepomp maakt gebruik van ventilatielucht, de temperatuur van de buitenlucht zal het COP niet beïnvloeden.

Uitvoeringen van de Inventum Modul-AIR voor ventilatietype-C.

Modul-AIR Combi: Hybride Ruimteverwarming + Tapwater

Wil je in een bestaande woning gas besparen, maar tapwater verwarmen via een boiler? Gebruik dan de combi-variant met de geïntegreerde 3-wegklep, die de keuze maakt tussen het verwarmen van tapwater uit de boiler of het verwarmen van cv-water. De cv-ketel vangt de pieken in warmtevraag, maar is later eenvoudig aan te passen naar een all-electric-verwarmingssysteem.

Hybride Ruimteverwarming + Tapwater
Deze variant is de uitvoering met een geïntegreerde 3-wegklep. Voor tap- water sluiten we deze aan op de indirect gestookte boiler MAXTANK Modul-AIR 100L, 150L of 180L of een liggende uitvoering van 220L.

Afgiftesysteem
De Inventum Modul-AIR kan toegepast worden met ieder afgiftesysteem. Er zijn verschillende mogelijkheden. Er kunnen (bestaande) LT en HT-radiatoren gebruikt worden, eventueel gecombineerd met vloerverwarming. Uitsluitend vloer- verwarming is ook mogelijk.

Modul-AIR hybride: Hybride Ruimteverwarming

De Modul-AIR hybride is de basis-unit voor bestaande bouw, die bedoeld is als aanvullende verwarming naast de cv-ketel. Warme lucht die via het ventilatiesysteem wordt afgevoerd, wordt door de Solo gebruikt om cv-water te verwarmen. De Solo is de primaire warmteopwekker en de cv-ketel schakelt bij om pieken in warmtevraag op te vangen. De Solo is al voorbereid op het eenvoudig retrofitten van de hieronder genoemde modulaire configuraties.

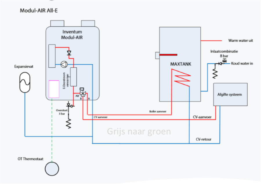
Modul-AIR All-E: All-Electric Ruimteverwarming + Tapwater

Deze variant is de All-E uitvoering met 3-wegklep en elektrische doorstroom verwarmer 1,5 kW, 3,0 kW of 4,5 kW. Voor tapwater sluiten we deze aan op de indirect gestookte boiler MAXTANK Modul-AIR 100L, 150L of 180L. Voor kleine woningen zoals studio’s is een boiler van 15 liter voor warm tapwater vaak al voldoende. Deze variant kan gecombineerd worden met E-radiatoren. Het heeft de voorkeur om E-radiatoren die op de slaapkamers worden toe- gepast te voorzien van een timer met een maximale tijd van 2 of 4 uur.
Systeem eis All-E Voor de toepassing van Ecolution Modul-AIR All-E is er een systeem eis. De cv-ruimte verwarmingsvraag mag maximaal 15.000 MJ (4.200 kWh) zijn. Voor een woning met een Ag van 100 m2 en een cv-ruimte verwarmingsvraag van 15.000 MJ (4.200 kWh) is de dekkingsgraad van de Ecolution Modul-AIR 93%*. Dit betekent dat 7% (294 kWh)* dan nog elektrisch bijverwarmd moet worden. Het benodigde vermogen voor deze woning met een warmtevraag van 15.000 MJ is bij -10oC gemiddeld 2.725 W*. Voor een goede systeemrobuustheid is het advies deze 2.725 W ook als back-up cv-verwarming volledig te installeren.
Voor een woning met een Ag van 80 m2 en een cv-ruimte verwarmingsvraag van 7.500 MJ (2.100 kWh) is de dekkingsgraad Ecolution Modul-AIR All-E 100%.* Het benodigde vermogen voor deze woning met een warmtevraag van 7.500 MJ bij -10oC is gemiddeld 1.365 W*. Voor een goede systeemrobuustheid is het advies deze 1.365 W ook als back-up cv-verwarming volledig te installeren.

De Inventum Modul-AIR is een hybride ventilatiewarmtepomp, die eenvoudig en snel uit te breiden is naar een all electric verwarmingssysteem.
De warmtepomp recyclet de warmte die anders via de mechanische ventilatie verloren gaat en geeft daatdoor het hoogste rendement. De teruggewonnen warmte gebruikt de Modul-AIR  voor het verwarmen van je woning of voor warm tapwater.
Je kan beginnen als een hybride warmtepomp en in de toekomst doorgroeien naar All-E of blijven toepassen in conbinatie met andere warmtebronnen.

Uitbreidingen en opties

Sensoren en bedieningen

De Ecolution Modul-AIR maakt gebruik van een RF-platform voor een draadloze ventilatieregeling. Op dit platform kunnen diverse draadloze bedieningen aangesloten worden, zoals een 3 standen hoofdbediening met timer (zie figuur 1). Deze kan gecombineerd worden met bijvoorbeeld een CO2 sensor in de woonkamer (zie figuur 2), of een vochtsensor in de badkamer (zie figuur 3). Voor de communicatie van deze draadloze bedieningen is een RF-ontvangerset noodzakelijk. Deze bestaat uit een RF-ontvanger en aansluitsnoer met randaarde stekker (zie figuur 4).

Balansventilatie

Door aan de Ecolution Modul-AIR de WTW-D toe te voegen, kan een huis ook geventileerd worden op basis van balansventilatie (ventilatie type D). De WTW-D zuigt verse buitenlucht aan, die eerst gefilterd en vervolgens opgewarmd wordt. De lucht wordt daarna via afzonderlijke ventilatiekanalen naar de desbetreffende verblijfsruimten gevoerd. Omgekeerd wordt verbruikte en vervuilde binnenlucht door de Ecolution Modul-AIR afgevoerd. De warmte uit de afgevoerde lucht wordt vervolgens terug geleverd in de vorm van warm cv- en tapwater, en via de WTW-D in de vorm van warme inblaaslucht. In een hybridetoepassing gaat de cv-ketel hierdoor ook nog eens langer mee. De energieprestatie van de woning gaat omhoog en de CO2-uitstoot wordt gereduceerd.

Maxtank boilers

Voor tapwater voorziening levert Inventum bijpassende RVS boilers met een vergrote warmtewisselaar, specifiek voor gebruik met de Ecolution Modul-AIR. De boilers zijn licht van gewicht, corrosiebestendig en onderhoudsarm. Deze MAXTANK-serie is uitermate geschikt voor kleinere woningen (100-120 m²) en is leverbaar met een netto inhoud van 100, 150 of 180 liter. De boilers worden geleverd met een 2kW verwarmingselement, een thermometer (0-120°C) en twee sensoren.

Unieke Eigenschappen
 • Tank, spiraal en adaptors zijn uitgevoerd in hoogwaardig RVS
• Corrosiebestendig vat
• Minimaal warmteverlies, ECO-design (Erp-klasse B).
• Snelle opwarming vanwege een vergrote warmtewisselaar
• Onderhoudsarm, geen anode nodig
• Licht van gewicht t.o.v. geëmailleerde vaten

Veelgestelde vragen over de Inventum Modul-AIR

Is er subsidie voor de Inventum Modul-AIR?

Bij bestaande bouw ontvang je subsidie op de Inventum Modul-AIR. De voorwaarde hiervoor is dat je een aankoop/installatiebewijs en betaalbewijs indient bij de overheid/RVO. Inloggen kan eenvoudig met je Digi-D.
De installateur helpt je hier graag bij.

Wat is de terugverdientijd t.o.v. een Spaarpomp?

Een Modulair heeft meer mogelijkheden waardoor de aanschafprijs van de Modul-AIR ten opzichten van een Spaarpomp hoger is.
Toch kan de het de meerprijs dubbel en dwars waard blijken te zijn als je in de toekomst de laagste investering hoeft te doen om helemaal van het gas te gaan.
Bespreek de voor en nadelen daarom eerst met een onafhankelijke adviseur.

Hoeveel stroom gebruikt de Moul-AIR?

Het verbruik van de Modul-AIR hangt af van het aantal draaiuren van de warmtepomp.
Een Modul-AIR zet iedere kWh stroom om in ca 5 kWh warmte, maar heeft een vermogen van 1,7 kW bij lage temperatuurverwarming. Gemiddeld gebruik van een Modul-AIR tussen de 1200 kWh per jaar voor ruimteverwarming.

Hoeveel geluid maakt een Modul-AIR?

De warmtepompen van Inventum zijn de stilste warmtepompen op dit moment en produceert maximaal 40dB(A). Dit is ruim binnen de norm van het bouwbesluit. Mocht het nodig zijn dan kan ook nog een geluiddemper worden geplaatst.

Inventum Modul-AIR

Advies nodig? Wij helpen je graag verder.

Heb je nog vragen, wil je de mogelijkheden voor jou eens doorspreken of wil je het eens zien? Kom dan voor onafhankelijk en vrijblijvend advies op maat naar het Regionaal EnergieCentrum. Dit is een gratis voor inwoners van deelnemende gemeenten.